雷达液位计
当前位置:首页>产品中心>气象传感器>六要素气象传感器更新时间:2024-07-26
六要素气象传感器

六要素气象传感器

产品型号:FT-B6

产品价格:980元

产品品牌:风途

江西维安物联网科技有限公司专业生产六要素气象传感器FT-B6,仪器研发生产经验丰富,提供六要素气象传感器价格方案,六要素气象传感器操作简单快速,仪器型号齐全,欢迎来电咨询!
产品详情

一、六要素气象传感器产品简介

六要素气象传感器又称六要素一体气象仪、六要素一体式气象传感器,六要素气象传感器是能够测量和监测气象环境中的六个基本参数的传感器,集成空气温度、空气湿度、大气压力、PM2.5、PM10、噪声6个参数。江西维安物联网科技有限公司作为专业研发生产气象传感器的企业,一直致力于气象传感器和气象环境解决方案推广应用。具有完整的生产链、实力雄厚的技术团队和全面的营销团队,我们研发生产的传感器已广泛应用到智慧农业、气象监测、城市环境监测、风力发电、航海船舶、航空机场、桥梁隧道等领域,客户遍布全国各地,并取得了良好的社会效益和经济效益。


二、六要素气象传感器产品特点

1、抗干扰能力强,具有看门狗电路,自动复位功能,保证系统稳定运行

2、高集成度,无移动部件,零磨损

3、免维护,无需现场校准

4、采用ASA工程塑料室外应用常年不变色

5、产品设计输出信号标配为RS485通讯接口(MODBUS协议);可选配232、USB、以太网接口,支持数据实时读取☆

6、可选配无线传输模块,最小传输间隔1分钟


三、六要素气象传感器技术参数

1、空气温度:-40-60℃(±0.3℃);(北京市气象局校准证书)

2、空气湿度:0-100%RH(±3%RH);(北京市气象局校准证书)

3、大气压力:300-1100hpa(±0.25%);(北京市气象局校准证书)

4、PM2.5:0-1000ug/m3(±10%)

5、PM10:0-1000ug/m3(±10%)

6、噪声:30-120dB(±1.5dB)

7、功率:0.72W

8、生产企业具有计算机软件注册证书☆

9、生产企业为3A级信用企业☆


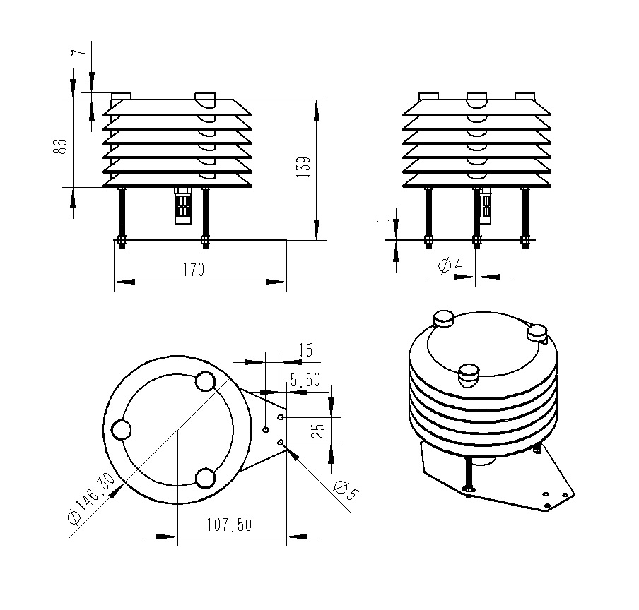
四、六要素气象传感器产品尺寸图

六要素气象传感器产品尺寸图

五、六要素气象传感器产品结构图

六要素气象传感器产品结构图



文章地址:http://www.fengtukeji.com/qxcg/192.html